Tooted
Roostevabast terasest konsooliga vesijahutusega püsimagnetmootor
  • Roostevabast terasest konsooliga vesijahutusega püsimagnetmootorRoostevabast terasest konsooliga vesijahutusega püsimagnetmootor

Roostevabast terasest konsooliga vesijahutusega püsimagnetmootor

IP68 • IE4 / IE5 kõrge efektiivsusega • Kohandatav disain
Roostevabast terasest konsooliga vesijahutusega püsimagnetmootor on konstrueeritud töökindlaks tööks karmides, söövitavates ja suure nõudlusega tööstuskeskkondades.
Tootja Zhejiang Jiafeng Power Technology Co., Ltd., professionaalne intelligentne mootoritootja, millel on täiustatud tootmisrajatised ning tugev uurimis- ja arendusmeeskond, on see mootor loodud vastama ülemaailmsete tööstuskasutajate rangetele nõuetele. See on ideaalne valik rakendusteks, kus tavapärased õhkjahutusega mootorid ei tööta usaldusväärselt.

See kõrgekvaliteetne roostevabast terasest konsooliga vesijahutusega püsimagnetmootor on spetsiaalselt ette nähtud kasutamiseks söövitavas, märjas või piiratud ruumiga keskkonnas, kus tavapärased õhkjahutusega mootorid näevad vaeva töökindluse säilitamise eest.

Kombineerides täielikult suletud roostevabast terasest korpuse, konsoolvõlli struktuuri ja tõhusa vesijahutussüsteemi, tagab see stabiilse pideva töö, suure võimsustiheduse ja pika kasutusea nõudlikes tööstustingimustes.

IE4 / IE5 energiatõhususe, madala mürataseme ja täpse kiiruse juhtimisega VFD kaudu aitab see mootor seadmetootjatel vähendada energiakulusid, lihtsustada mehaanilist disaini ja parandada süsteemi üldist töökindlust.


Millised on selle mootori peamised eelised?

Roostevabast terasest korpus – tagab suurepärase korrosioonikindluse keemilise kokkupuute, niiskuse ja pesemisprotsesside korral, muutes selle ideaalseks toidu-, farmaatsia- ja keemiaseadmete jaoks.

Konsoolvõlli konstruktsioon – võimaldab kompaktset süsteemiintegratsiooni ja lihtsustatud mehaanilisi paigutusi, mis sobib eriti hästi pumba- ja otseajamiga rakenduste jaoks.

Tõhus vesijahutussüsteem – säilitab pideva töötamise ajal stabiilse töötemperatuuri, vähendades termilist pinget ja pikendades kasutusiga.

Püsimagnettehnoloogia – tagab suure pöördemomendi tiheduse ja kiire dünaamilise reaktsiooni, säilitades samal ajal kompaktse mootori jalajälje.

IE4 / IE5 energiatõhusus – vähendab märkimisväärselt energiatarbimist ja pikaajalisi kasutuskulusid võrreldes tavaliste asünkroonmootoritega.

IP68 kaitsetase – täielikult suletud konstruktsioon tagab usaldusväärse jõudluse karmides tööstuskeskkondades.

Madal müra ja madal vibratsioon – parandab töötingimusi ja suurendab seadmete üldist stabiilsust.


Kus seda mootorit kasutada saab?

Seda vastupidavat roostevabast terasest vesijahutusega püsimagnetmootorit kasutatakse laialdaselt seadmetes, mis nõuavad suurt töökindlust, kompaktset disaini ja vastupidavust karmidele keskkondadele, näiteks:

Pooljuhtide valmistamise seadmed – vaakumsüsteemid, täppisliikumisplatvormid

Fotogalvaanilised ja uued energiasüsteemid – pumbaajamid ja jahutuse tsirkulatsiooniseadmed

Tööstuslikud automaatikasüsteemid – otseajamiga moodulid ja integreeritud liikumisjuhtimisseadmed

Vaakumpumbad ja vedelikupumbad – suure kiirusega, pideva tööga pumbarakendused

Uued energia transpordiseadmed – abiajamid

Keemia-, toidu- ja farmaatsiamasinad – hügieeni- ja pesuvalmis seadmed


Tootmistugevus – Jiafeng Power

Täiustatud testimisseadmete, rangete kvaliteedikontrollisüsteemide ja kohandatud mootorilahenduste kogemusega Jiafeng Power on ülemaailmsete originaalseadmete tootjate ja süsteemitootjate usaldusväärne partner.

Miks valida Jiafeng Power?

  1. ISO 9001, ISO 14001, ISO 45001, ISO 50001 sertifitseeritud tootja
  2. Täiustatud seadmed, sealhulgas dünaamilised tasakaalustusmasinad, lekketuvastussüsteemid ja intelligentsed mootorite testimisplatvormid
  3. Tugev ettevõttesisene uurimis- ja arendusmeeskond mitme patenteeritud tehnoloogiaga
  4. Laialdased kogemused vesijahutusega, püsimagnetitega ja eriotstarbeliste mootoritega
  5. Stabiilne tarnimine klientidele Kagu-Aasias, Euroopas ja Põhja-Ameerikas

Kohandatud mootorilahendused

Lisaks standardmudelitele pakume täielikult kohandatud mootorilahendusi, mis põhinevad kliendi spetsifikatsioonidel ja tehnilistel joonistel:

Tehniline konsultatsioon – Rakendusnõuete süvaanalüüs

Prototüübi arendus – näidistestimine ja jõudluse kontrollimine

Masstootmine – range kvaliteedikontroll ja järjepidevuse tagamine

Õigeaegne kohaletoimetamine – usaldusväärsed teostusajad ülemaailmsetele klientidele

Meie kohustus: puudub defekt, täielik vastavus ja õigeaegne kohaletoimetamine – iga kord.

Küsi hinnapakkumist

Kas otsite vastupidavat roostevabast terasest konsooliga vesijahutusega püsimagnetmootorit, mis on kohandatud teie rakendusele?

Meie insenerid on valmis aitama teil hinnata spetsifikatsioone, kohandamisvalikuid ja integreerimisnõudeid.

Kiire tehnilise konsultatsiooni ja professionaalse hinnapakkumise saamiseks võtke meiega ühendust juba täna.

Saadaval on kohandatud kujundused ja OEM-tugi.


Toote spetsifikatsioon

See mootor on mõeldud kiireks tööks pideva töörežiimi ajal ning on optimeeritud inverteri (VFD) juhtimiseks ja kompaktseks süsteemiintegreerimiseks.

Järgmised andmed esindavad tüüpilisi mudeleid. Pinget, võimsusvahemikku ja mehaanilisi mõõtmeid saab kohandada vastavalt kliendi nõudmistele.

Ei.

Võimsus

Pinge

Sagedus

poolakad

Kiirus

(rpm)

Praegune

Tõhusus

Võimsustegur

Isolatsioon

Klass

Töökohustuse tüüp

Ühendus

Kaitse tase

1

2,2 kW

380V

150-300 Hz

6

3000-6000

5.6A

91,2%

0.922

F

S1

IP68

2

3 kW

380V

150-300 Hz

6

3000-6000

5,9A

91,8%

0.925

F

S1

IP68

Mõeldud inverteri (VFD) tööks. Soovi korral on saadaval laiendatud võimsusvahemik ja kohandatud konfiguratsioonid.

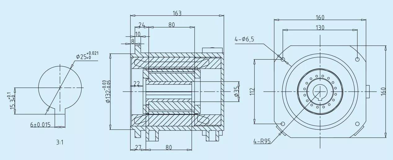
Paigaldus suurus

Stainless Steel Cantilever Water Cooled Permanent Magnet Motor


Projekteerimine ja ehitus

Roostevabast terasest korpus

Pesumootori korpus on valmistatud kvaliteetsest roostevabast terasest, mis tagab suurepärase vastupidavuse korrosioonile, niiskusele ja kemikaalidele. Võrreldes alumiinium- või malmist mootoritega tagab roostevabast terasest konstruktsioon pikema tööea, väiksema hooldusvajaduse ja usaldusväärse töö hügieenilises või agressiivses keskkonnas.

Konsoolvõlli disain

Konsoolstruktuur toetab rootorit ainult ühest otsast, võimaldades kompaktset süsteemiintegratsiooni ja lihtsustatud mehaanilist disaini. See konfiguratsioon sobib eriti hästi pumpade, segistite ja otseajamiga rakenduste jaoks, võimaldades samas ka mugavat kontrolli ja hooldust.

Suletud ahelaga vesijahutussüsteem

Integreeritud vesijahutussärg hajutab tõhusalt töötamise ajal tekkivat soojust, säilitades optimaalse sisetemperatuuri isegi pideva töötamise korral. See disain vähendab märkimisväärselt komponentide termilist pinget, parandab tõhususe stabiilsust ja pikendab mootori eluiga. Suletud jahutussüsteem on töökindel, vähe hooldust vajav ja ühildub tööstuslike jahutusahelatega.

Püsimagnetmootorite tehnoloogia

Suure jõudlusega püsimagneteid kasutades tagab see mootor madalatel pööretel suure pöördemomendi, suurepärase dünaamilise reaktsiooni ja parema efektiivsuse võrreldes tavaliste asünkroonmootoritega. Kompaktne disain toetab täpset kiiruse reguleerimist ja stabiilset tööd nõudlikes automaatikasüsteemides.

Kvaliteetne roostevabast terasest konsooliga vesijahutusega püsimagnetmootor teenindab erinevaid sektoreid, sealhulgas pooljuhte, fotogalvaanilist elektrienergiat, automaatika juhtimist, uut energiatransporti ja sellega seotud valdkondi.




Stainless Steel Cantilever Water Cooled Permanent Magnet MotorStainless Steel Cantilever Water Cooled Permanent Magnet MotorStainless Steel Cantilever Water Cooled Permanent Magnet MotorStainless Steel Cantilever Water Cooled Permanent Magnet MotorStainless Steel Cantilever Water Cooled Permanent Magnet MotorStainless Steel Cantilever Water Cooled Permanent Magnet MotorStainless Steel Cantilever Water Cooled Permanent Magnet MotorStainless Steel Cantilever Water Cooled Permanent Magnet MotorStainless Steel Cantilever Water Cooled Permanent Magnet MotorStainless Steel Cantilever Water Cooled Permanent Magnet MotorStainless Steel Cantilever Water Cooled Permanent Magnet MotorStainless Steel Cantilever Water Cooled Permanent Magnet Motor
Kuumad sildid: Roostevabast terasest konsooliga vesijahutusega püsimagnetmootor, tootja, tarnija, tehas, täiustatud
Saada päring
Kontaktinfo
Kas vajate kohandatud mootoreid? Konsulteerige otse Jiafeng Poweri Hiina meeskonnaga. Jagage oma tehnilisi andmeid kiireks prototüüpimiseks, konkurentsivõimeliseks hinnaks ja garanteeritud kvaliteediga tootmiseks.
X
Kasutame küpsiseid, et pakkuda teile paremat sirvimiskogemust, analüüsida saidi liiklust ja isikupärastada sisu. Seda saiti kasutades nõustute meie küpsiste kasutamisega. Privaatsuspoliitika
Keeldu Nõustu