Tooted
IE5 konsooliga vesijahutusega püsimagnetmootor
  • IE5 konsooliga vesijahutusega püsimagnetmootorIE5 konsooliga vesijahutusega püsimagnetmootor

IE5 konsooliga vesijahutusega püsimagnetmootor

Zhejiang Jiafeng Power Technology Co., Ltd. tutvustab uhkusega meie IE5 konsooliga vesijahutusega püsimagnetmootorit. See mootor näitab elektrimootorite tehnoloogia uusimaid uuendusi, pakkudes silmapaistvat efektiivsust ka kõige karmimates tööstuskeskkondades. Samuti pakub see ühes pakendis suure jõudluse, kompaktse disaini ja vastupidava töö. See mootor on suur samm edasi tööstuse kasvavate vajaduste rahuldamisel ning töökindlad ja paindlikud mootorilahendused.

Jiafeng Poweri konsooliga vesijahutusega püsimagnetmootor IE5 paistab tööstusmootorite turul silma oma uuendusliku konsoolstruktuuri ja täiustatud termilise disainiga. Võrreldes tavaliste õhkjahutusega mootoritega kontrollib tõhus vesijahutussüsteem tõhusalt temperatuuri, vähendades ülekuumenemise ohtu ja hoides ära planeerimata seisakuid. Usaldusväärse mootoritarnija ja tehasena pakub Jiafeng Power seda lahendust ühtlase kvaliteediga, tagades stabiilse jõudluse ja kõrge efektiivsuse nõudlike tööstuslike rakenduste jaoks.


Toote spetsifikatsioon

Ei.

Võimsus

Pinge

Sagedus

poolakad

Kiirus

(rpm)

Praegune

Tõhusus

Võimsustegur

Isolatsioon

Klass

Töökohustuse tüüp

Ühendus

Kaitse tase

1

4,5 kW

380V

150-300 Hz

6

3000-6000

5.6A

91,2%

0.922

F

S1

IP68

2

7,5 kW

380V

150-300 Hz

6

3000-6000

13A

95,1%

0.98

F

S1

IP68

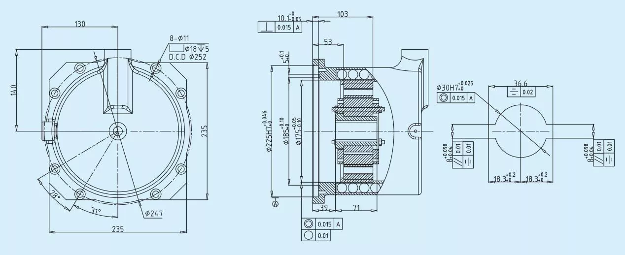
Paigaldus suurus

IE5 Cantilever Water Cooled Permanent Magnet Motor

IE5 konsooli vesijahutusega püsimagnetmootori põhifunktsioon

Funktsioon

Kasu

IE5 tõhusus

Energiatarbimise drastiline vähendamine, madalamad tegevuskulud

Konsool disain

Lihtsustatud otseajami integreerimine, kõrge jäikus, väiksem hooldus

Püsimagnetrootor

Suur võimsustihedus, suur pöördemoment, null rootori ergutuskaod

Vesijahutussüsteem

Kompaktne suurus, suur võimsustihedus, suurepärane soojusjuhtimine

Pikk eluiga (100 000+ tundi)

Vähem seisakuaeg, väiksem kogu omamise kulu

Suletud kohandatud üksused (IP68)

Ideaalne karmides keskkondades, lihtne integreerida vaakumsüsteemidesse


Jiafeng Poweri vastupidav IE5 konsooliga vesijahutusega püsimagnetmootor on mõeldud kasutamiseks karmides tingimustes, jätkab töötingimusi, kus töökindlus, tõhusus ja väike jalajälg on kõige olulisemad. Selle kasutusalad on laialdaselt allpool:

Vaakumpumbad: selle suletud, otseajamiga seade sobib ideaalselt vaakumtingimuste loomiseks ja säilitamiseks.

Tööstuslik kokkusurumine: mootori kõrge kasutegur ja töökindlus toovad kasu õhu- ja gaasikompressoritele tootmisel, töötlemisel ja kaevandamisel.

Pumbasüsteemid: selle tugev jõudlus ja energiasääst on ideaalsed suure võimsusega veevarustuse, reoveekäitluse ja tööstuslike protsesside pumpade jaoks.

Tsentrifugaalventilaatorid: see on usaldusväärne valik HVAC-süsteemide, elektrijaamade tõmbeventilaatorite ja mitmesuguste tööstuslike ventilatsioonivajaduste jaoks.


IE5 Cantilever Water Cooled Permanent Magnet MotorIE5 Cantilever Water Cooled Permanent Magnet MotorIE5 Cantilever Water Cooled Permanent Magnet MotorIE5 Cantilever Water Cooled Permanent Magnet MotorIE5 Cantilever Water Cooled Permanent Magnet MotorIE5 Cantilever Water Cooled Permanent Magnet MotorIE5 Cantilever Water Cooled Permanent Magnet MotorIE5 Cantilever Water Cooled Permanent Magnet Motor


Kuumad sildid: Vastupidav IE5 konsooli vesijahutusega püsimagnetmootori tarnija, tootja
Saada päring
Kontaktinfo
Kas vajate kohandatud mootoreid? Konsulteerige otse Jiafeng Poweri Hiina meeskonnaga. Jagage oma tehnilisi andmeid kiireks prototüüpimiseks, konkurentsivõimeliseks hinnaks ja garanteeritud kvaliteediga tootmiseks.
X
Kasutame küpsiseid, et pakkuda teile paremat sirvimiskogemust, analüüsida saidi liiklust ja isikupärastada sisu. Seda saiti kasutades nõustute meie küpsiste kasutamisega. Privaatsuspoliitika
Keeldu Nõustu